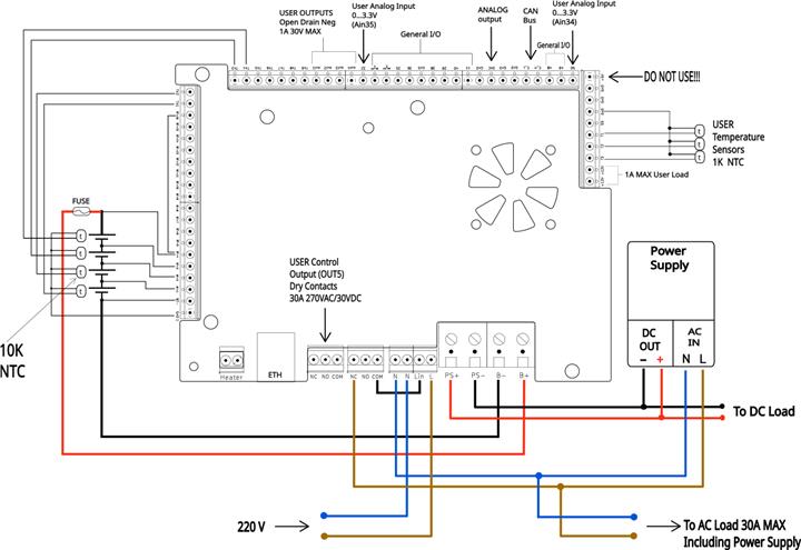
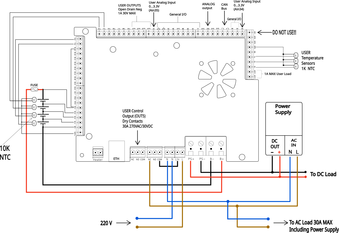
MC-30 controller Controller connection diagram Controller package EV mobile smart charger EV charger detail EV charger app EV charger app EV charger app EV charger app EV charger app EV charger app

Project List

A selection of Trinix hardware, telecom, and software solutions with product-level details and case-oriented summaries.

All Telecom Power Systems IoT Software
image image image image image image image image
EV Charging Smart Charger

EV Mobile Smart Charger

Compact and reliable portable EV charger with mobile app, adjustable current, automatic current control, 110-240V input, up to 40A charging, schedule control, status indication, Wi-Fi, BLE, cloud remote monitoring, and full overtemperature, overcurrent, overvoltage, and leakage-current protection.

automatic transfer switch automatic transfer switch automatic transfer switch automatic transfer switch automatic transfer switch automatic transfer switch automatic transfer switch automatic transfer switch automatic transfer switch
Power Systems ATS

Smart Automatic Transfer Switch

Smart transfer switch with generator automation, three power inputs and one output, 4-inch touch display, smart battery charging, remote monitoring, and configurable source-priority logic for autonomous backup power systems.

solar tracker smart controller solar tracker smart controller package solar tracker smart controller package solar tracker compass interface solar tracker web interface
Solar Tracker

Solar Tracker Smart Controller

Dual-axis solar tracker controller with remote monitoring and control, wind-speed handling, automatic safe positioning, support for up to three actuators, actuator current control up to 15A, soft start, astronomical sun-position calculation, and 1-degree tracking precision.

power monitoring platform image
Energy Analytics

Smart Power Consumption Monitoring and Analytics Platform

A smart monitoring and analytics platform for residential and industrial power-efficiency management, with consumption tracking, load visibility, reporting, and decision support for reducing energy costs.

project image project image
IoT Case Study

Remote Monitoring Node

An embedded monitoring solution for collecting field telemetry, tracking environmental conditions, and pushing live data to operators.

Need a custom solution?

Talk with Trinix about telecom power, automation, hardware, and integrated engineering projects.

Get in touch